¶ TRU - SB SERIES (TGVI)
¶ Informação de Segurança
Esta mensagem contém informações críticas sobre como operar o IX3 com segurança e eficiência. O dispositivo IX3 é um sistema de monitoramento avançado projetado para ambientes industriais e deve ser tratado com o máximo cuidado durante todas as fases de instalação, operação e manutenção. Seguindo rigorosamente esses requisitos e recomendações de segurança, você evitará situações perigosas que podem resultar em danos ao equipamento, ferimentos pessoais ou falhas no sistema de refrigeração. É fundamental que você leia estas instruções cuidadosamente, compreenda completamente cada procedimento e siga-as rigorosamente antes de iniciar qualquer trabalho com o dispositivo. A negligência dessas diretrizes pode comprometer a integridade do sistema e a segurança operacional.
¶ Precauções
Integridade do Dispositivo: É terminantemente proibido desmontar ou abrir o dispositivo. Em caso de danos visíveis, cabos de alimentação desencapados ou isolamento comprometido, não toque no equipamento antes de desconectar completamente a fonte de alimentação principal e aguardar a dissipação de energia residual.
Qualificação Profissional: A instalação, configuração e manutenção do dispositivo devem ser realizadas exclusivamente por técnicos qualificados e certificados, com conhecimento em sistemas elétricos de baixa tensão e equipamentos de refrigeração industrial.
Fixação e Estabilidade: O dispositivo deve ser fixado de forma segura e permanente em local tecnicamente apropriado, utilizando suportes adequados e parafusos especificados. Verifique periodicamente a integridade da fixação para evitar vibrações ou deslocamentos.
Proteção contra Umidade: O dispositivo possui grau de proteção limitado contra água e umidade. Mantenha-o em ambiente seco e protegido contra respingos, condensação ou exposição direta à umidade que possam causar danos aos circuitos eletrônicos.
Condições Meteorológicas: A instalação, manutenção ou qualquer tipo de manuseio do dispositivo é estritamente proibida durante tempestades elétricas ou condições meteorológicas adversas que possam representar risco de descargas atmosféricas.
Isolamento Energético: Antes de iniciar qualquer procedimento de instalação ou manutenção, assegure-se de que toda a alimentação elétrica esteja desligada e bloqueada, impedindo energização acidental do sistema. Implemente procedimentos de lockout/tagout quando necessário.
¶ Recomendações de Montagem
Antes de iniciar a instalação, verifique a versão da memória EEPROM. A versão suportada pelo IX3 deve ser superior a 1090. Certifique-se de que a memória esteja funcionando corretamente e que a versão esteja compatível para evitar problemas de comunicação ou falhas no sistema durante a instalação. Se necessário, atualize a versão da memória antes de prosseguir com a instalação.
¶ Fixação do Módulo IX3
Antes de iniciar a instalação, verifique a versão da memória EEPROM. A versão suportada pelo IX3 deve ser superior a 1090. Certifique-se de que a memória esteja funcionando corretamente e que a versão esteja compatível para evitar problemas de comunicação ou falhas no sistema durante a instalação. Se necessário, atualize a versão da memória antes de prosseguir com a instalação.
¶ Fixação da Telemetria no Chassi
Fixe a telemetria no chassi do equipamento de refrigeração, utilizando o suporte de fixação e os rebites que acompanham o kit de instalação. Certifique-se de que o equipamento IX3 não entre em atrito com nenhuma outra peça, garantindo que não haja choques mecânicos. Verifique também se o suporte está firmemente preso e se não há risco de soltura devido a vibrações.
¶ Passagem do Chicote Elétrico
Passe o chicote elétrico pela entrada original, seguindo o trajeto dos chicotes do equipamento de refrigeração até o interior do painel. Certifique-se de que o chicote esteja posicionado de maneira segura, sem interferir no funcionamento dos outros componentes e evitando áreas de risco, como superfícies quentes ou zonas com movimento. Além disso, verifique se o chicote está devidamente fixado para prevenir danos por desgaste ou curtos-circuitos.
¶ Localização da Chave ON/OFF e Conector
Localize a chave ON/OFF e o conector de 6 vias responsável pela comunicação. Ambos devem ser facilmente encontrados no interior do painel elétrico. Certifique-se de que a chave esteja na posição "OFF" antes de iniciar qualquer procedimento e que o conector esteja em condições de uso, garantindo uma comunicação estável e sem falhas entre os componentes.
¶ Conexão do Conector de Comunicação
Conecte o conector de comunicação, garantindo o encaixe correto e firme. Verifique se os conectores estão bem acoplados para assegurar uma comunicação estável entre os dispositivos.
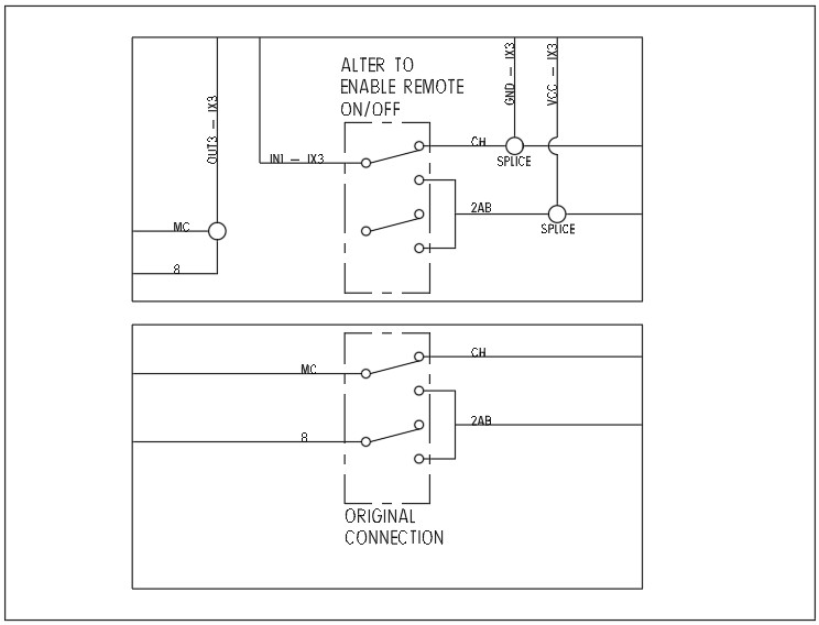
¶ Alteração da Ligação da Chave ON/OFF
Altere a ligação da chave ON/OFF para permitir o envio de comandos remotos para ligar e desligar o equipamento de refrigeração. Certifique-se de que a modificação seja feita de forma segura, garantindo a integridade do sistema de controle e evitando interferências com outros componentes. Além disso, verifique se a comunicação remota está funcionando corretamente antes de concluir a instalação.